三亿在线(中国)唯一官方网站国际
关键词搜索
language
中文
English
三亿在线(中国)唯一官方网站
产品中心
自主研發
代理品牌
快速夹钳
夹具油压缸
夹具气压缸
液压站
零点定位
中国台湾盈锡精密螺母
中国台湾东培精密轴承
德国哈尔德系列
中国台湾弘旺联轴器
最新消息
三亿在线(中国)唯一官方网站小百科
应用实例
下载中心
联络我们
0769-389-37833
0769-389-37833
三亿在线(中国)唯一官方网站
产品中心
产品中心
前往页面
快速夹钳
夹具油压缸
夹具气压缸
液压站
零点定位
中国台湾盈锡精密螺母
中国台湾东培精密轴承
德国哈尔德系列
中国台湾弘旺联轴器
最新消息
三亿在线(中国)唯一官方网站小百科
应用实例
下载中心
联络我们
产品中心
产品中心
快速夹钳
垂直式夹钳
夹持力0-100kg
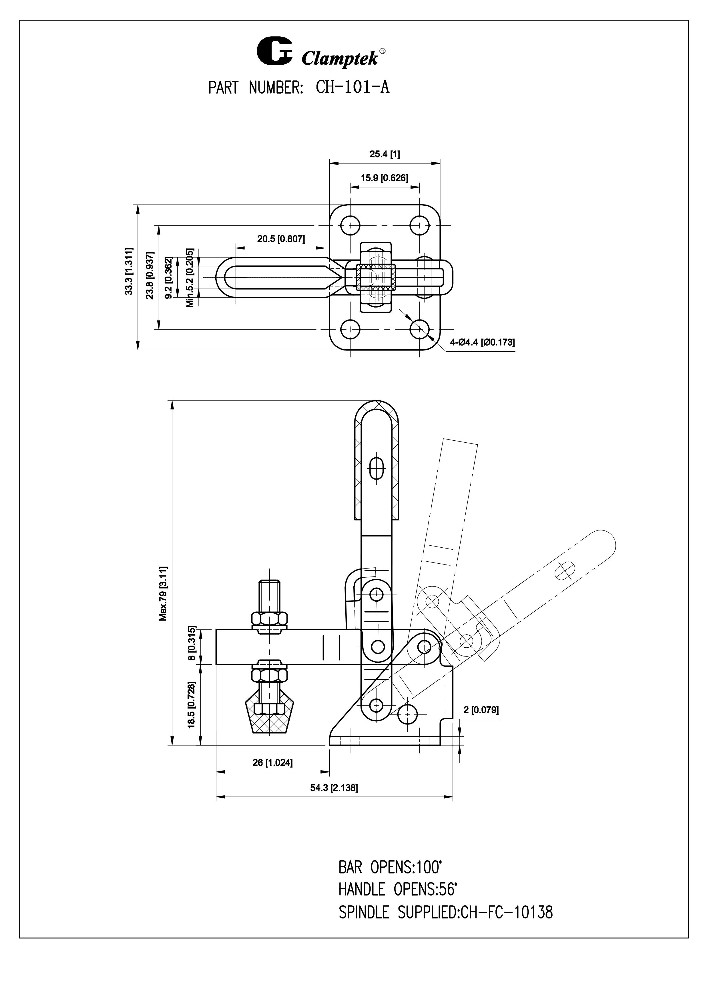
CH-101-A系列
产品中心
快速夹钳
垂直式夹钳
夹持力0-100kg
CH-101-A系列
101-A
101-ASS
101-AI
101-AIT
101-AT
CH-101-A系列
产品资讯
夹持力:50Kg
压把开启角度:100°
手柄开启角度:56°
压头螺丝型号:CH-FC-10138
产品资料
型号
CH-101-A
CH-101-ASS
CH-101-AI
CH-101-AIT
CH-101-AT
产品重量
60g
60g
60g
60g
60g
U型压把
V
V
V
V
V
法兰底座
V
V
V
直底座
V
V
直手柄
V
V
V
T型手柄
V
V
不锈钢
V
档案下载
CH-101-A
CH-101-ASS
CH-101-AI
CH-101-AIT
CH-101-AT
CH-101-A
CH-101-ASS
CH-101-AI
CH-101-AIT
CH-101-AT
PDF
DWG
STEP
PDF
DWG
STEP
PDF
DWG
STEP
PDF
DWG
STEP
PDF
DWG
STEP
PDF
DWG
STEP
PDF
DWG
STEP
PDF
DWG
STEP
为了改善并给您更好的浏览体验,本网站使用Cookies来了解您如何使用我们的网站。若继续浏览我们的网站,即表示您同意我们使用Cookies。若您想了解相关资讯,请点
这里
同意
ld官方网站
|
中欧官方网站_中欧(中国)
|
爱体育·体育(中国)官方网站
|
万搏登陆_万搏(中国)
|
乐竞在线(中国)唯一官方网站
|
ky开元
|
球友会网页版_球友会(中国)官方
|
压球官网·(中国)官方网站
|
米兰体育在线网站_米兰体育(中国)
|