CLKW

产品资讯

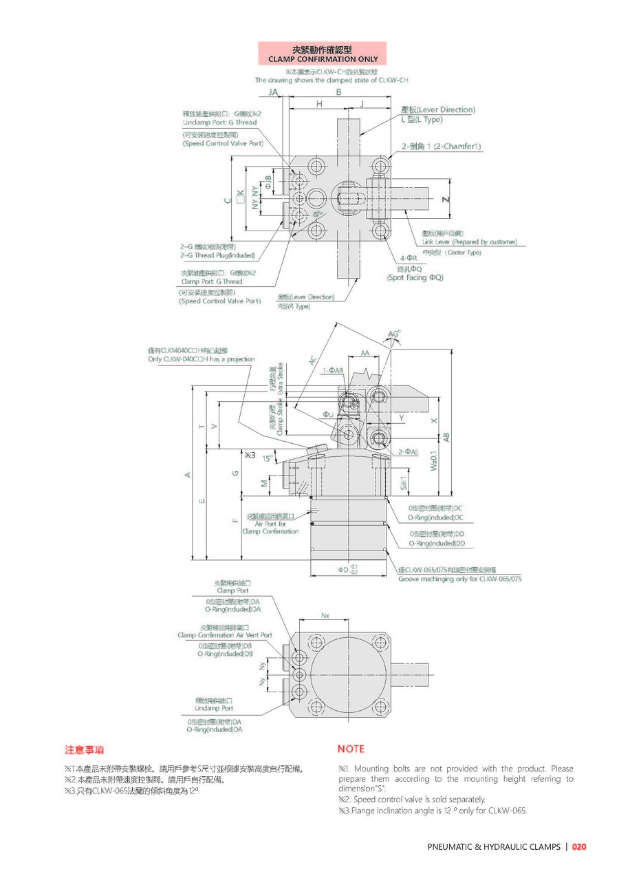
此系列产品动作端内置有动作确认机构,最适用于实现设备的自动化。通过连接空气传感器,检出压差,实现确认动作。通过夹紧动作确认,能实现安全可靠地工件搬入搬出。内置传感阀,可实现超薄型的夹具设计。 简单的油路孔设计。

最大操作压力:70 kgf/cm²
最小操作压力:5 kgf/cm²
注意事项:
夹紧及放松作动速度需适当放缓。
为进行确认动作,需设置空气传感器。
气口需进行大气开放,务必防止冷却液,切削渣的侵入。
使用时请保持向气口常态供气状态。

备註:
推荐使用气缸0.1-0.2MPa,空气感测器为SMC的ISA2-HE45N。

订购标示法

CLKW 系列 CLKW
048 主体尺寸 040: ØD=40mm, 048: ØD=48mm, 055: ØD=55mm, 065: ØD=65mm, 075: ØD=75mm(ΦD表示本體油缸外徑尺寸)
C - 板式连接型(附带G螺纹堵头)(可安装速度控製阀(CZL),用户另行购买)
R 压臂安装方向 空白: 中央, L: 左, R: 右
E 传感阀符号 E: 夹紧释放动作确认型, H: 夹紧动作确认型, J: 释放动作确认型

产品资料

型号 CLKW-040 CLKW-048 CLKW-055 CLKW-065 CLKW-075
理论夹持力(70kgf/cm²) 290 389 487 852 1332
夹紧行程(mm) 17.5 20.5 23 26.5 32
总行程(mm) 20.5 23.5 26 29.5 35
推出容积(cm³) 10.9 16.6 25 46.9 83.2
拉入容积(cm³) 8.6 13 19.8 37.7 69.8
推出受压面积(cm²) 5.31 7.07 9.62 15.9 23.8
拉入受压面积(cm²) 4.17 5.52 7.62 11.76 20
使用温度范围(°C) 0~+70°C 0~+70°C 0~+70°C 0~+70°C 0~+70°C

档案下载