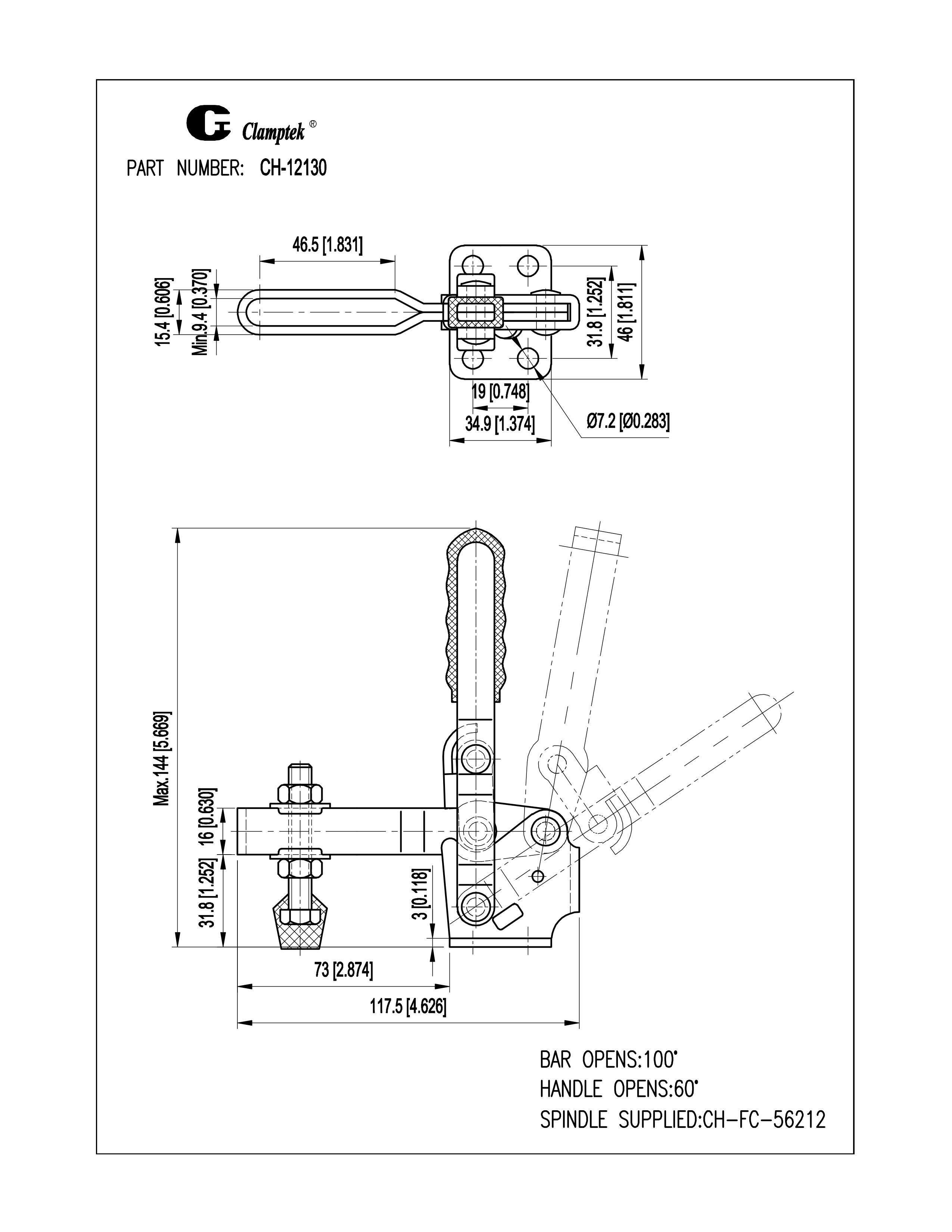
12130
12130-SS
12130-HB
12130-HBL
12130-SM
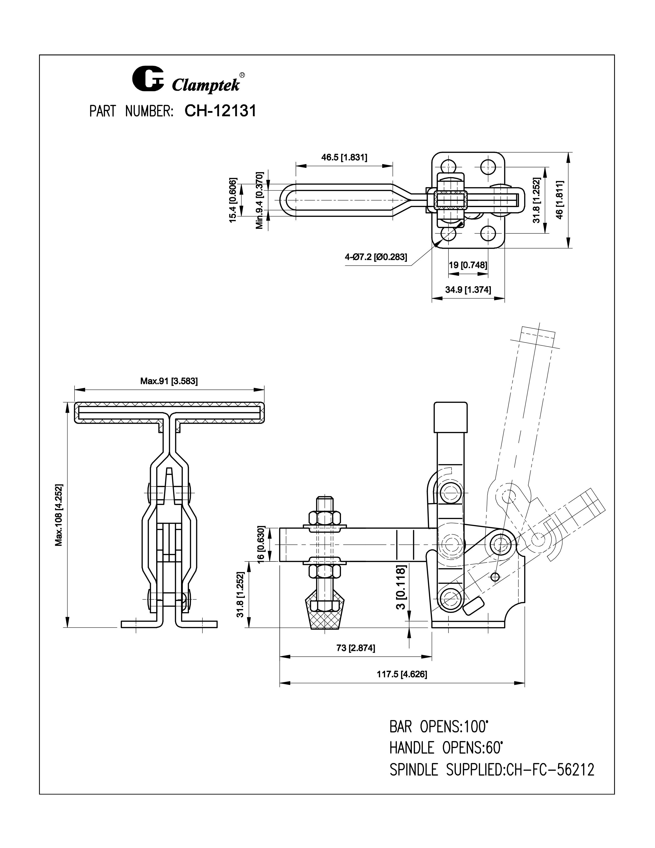
12131
12132
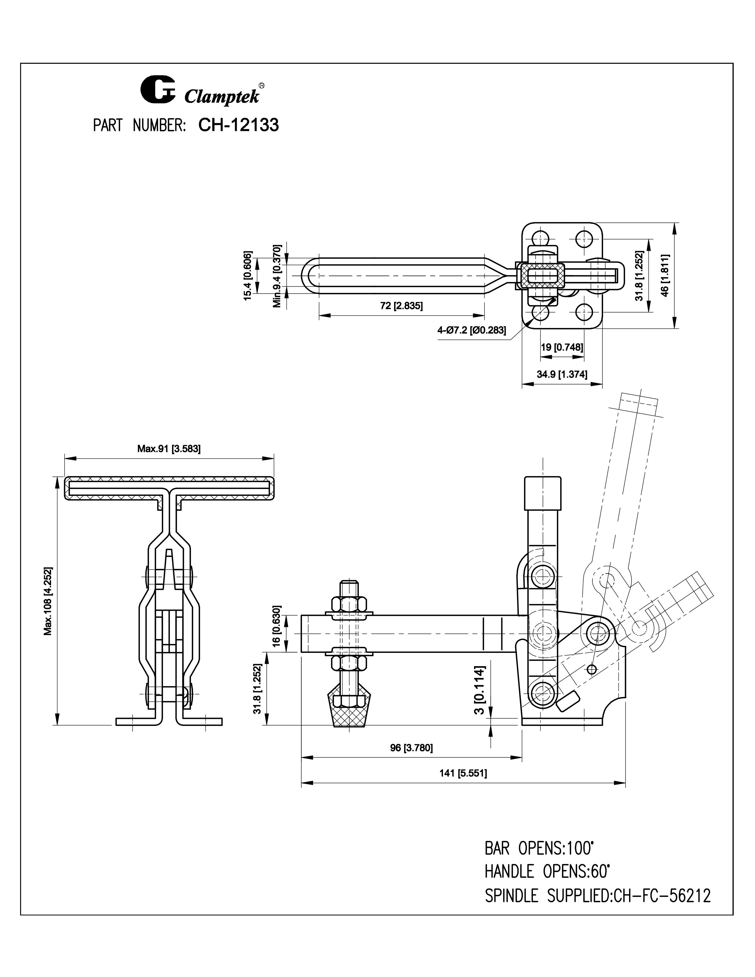
12133
12135
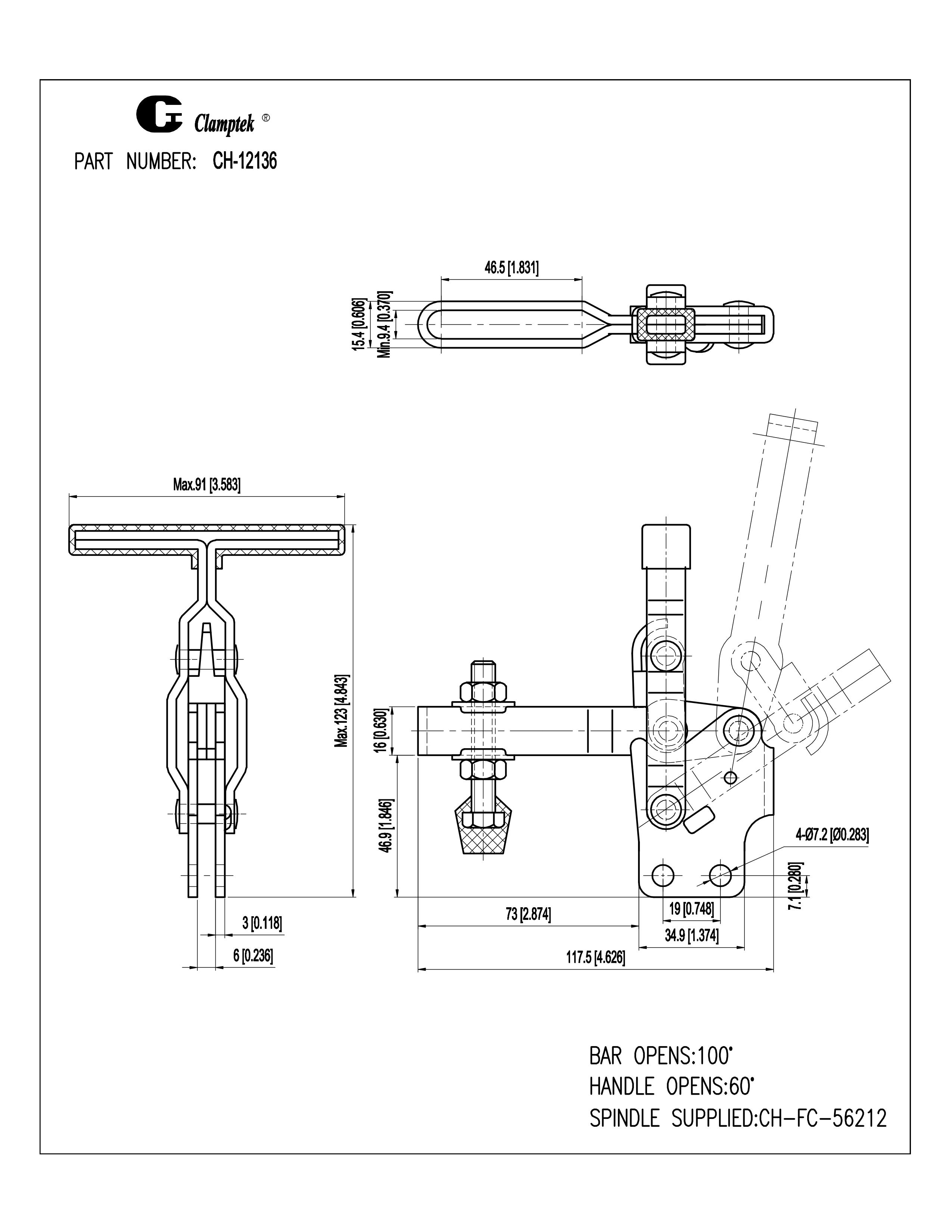
12136
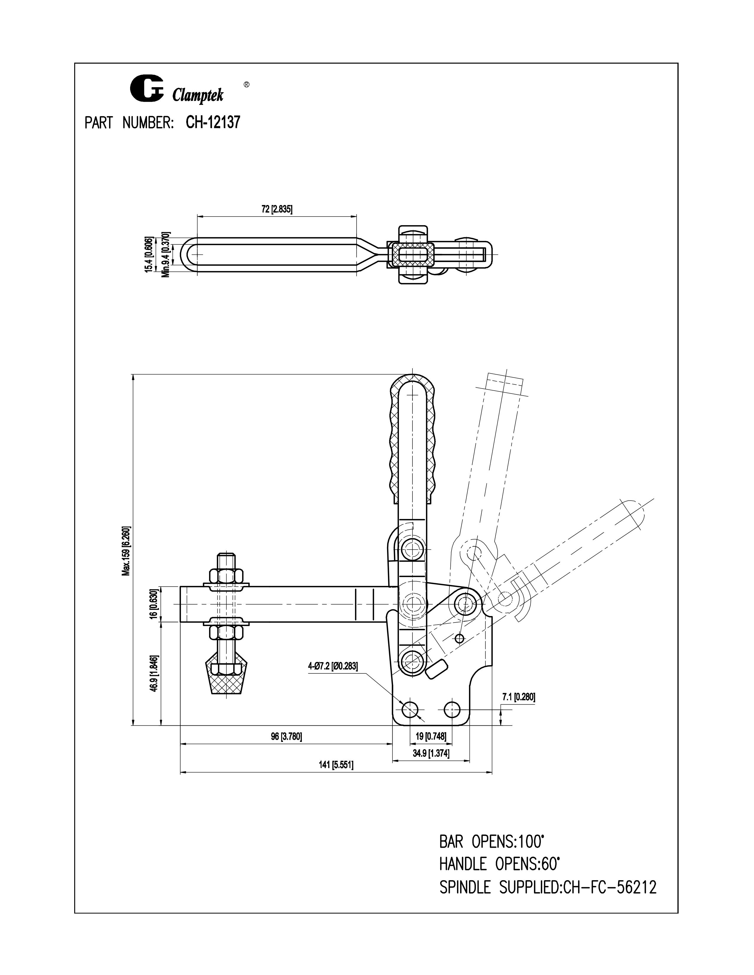
12137
12138
CH-12130至CH-12138
产品资讯
夹持力:227Kg
压把开启角度:100°
手柄开启角度:60°
压头螺丝型号:CH-FC-56212
压把开启角度:100°
手柄开启角度:60°
压头螺丝型号:CH-FC-56212
12130
12130-SS
12130-HB
12130-HBL
12130-SM
12131
12132
12133
12135
12136
12137
12138
| 型号 | CH-12130 | CH-12130-SS | CH-12130-HB | CH-12130-HBL | CH-12130-SM | CH-12131 | CH-12132 | CH-12133 | CH-12135 | CH-12136 | CH-12137 | CH-12138 |
|---|---|---|---|---|---|---|---|---|---|---|---|---|
| 产品重量 | 355g | 355g | 401g | 500g | 395g | 370g | 370g | 400g | 355g | 370g | 370g | 400g |
| 短U型压把 | V | V | V | V | V | V | V | V | ||||
| 长U型压把 | V | V | V | V | ||||||||
| 法兰底座 | V | V | V | V | V | V | V | |||||
| 直底座 | V | V | V | V | ||||||||
| 直手柄 | V | V | V | V | V | V | V | V | ||||
| T型手柄 | V | V | V | V | ||||||||
| 不锈钢 | V |