12265
12265-SS
12270
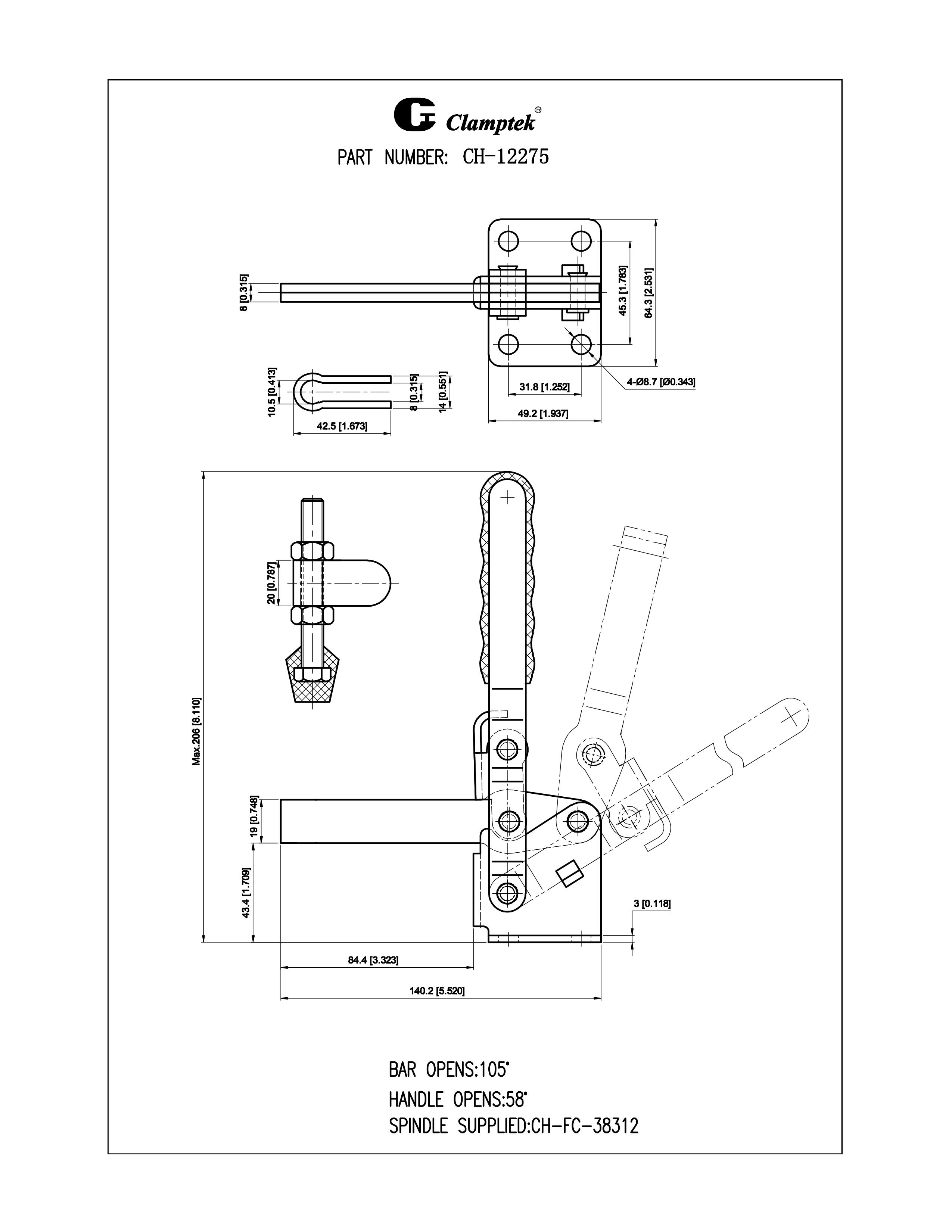
12275
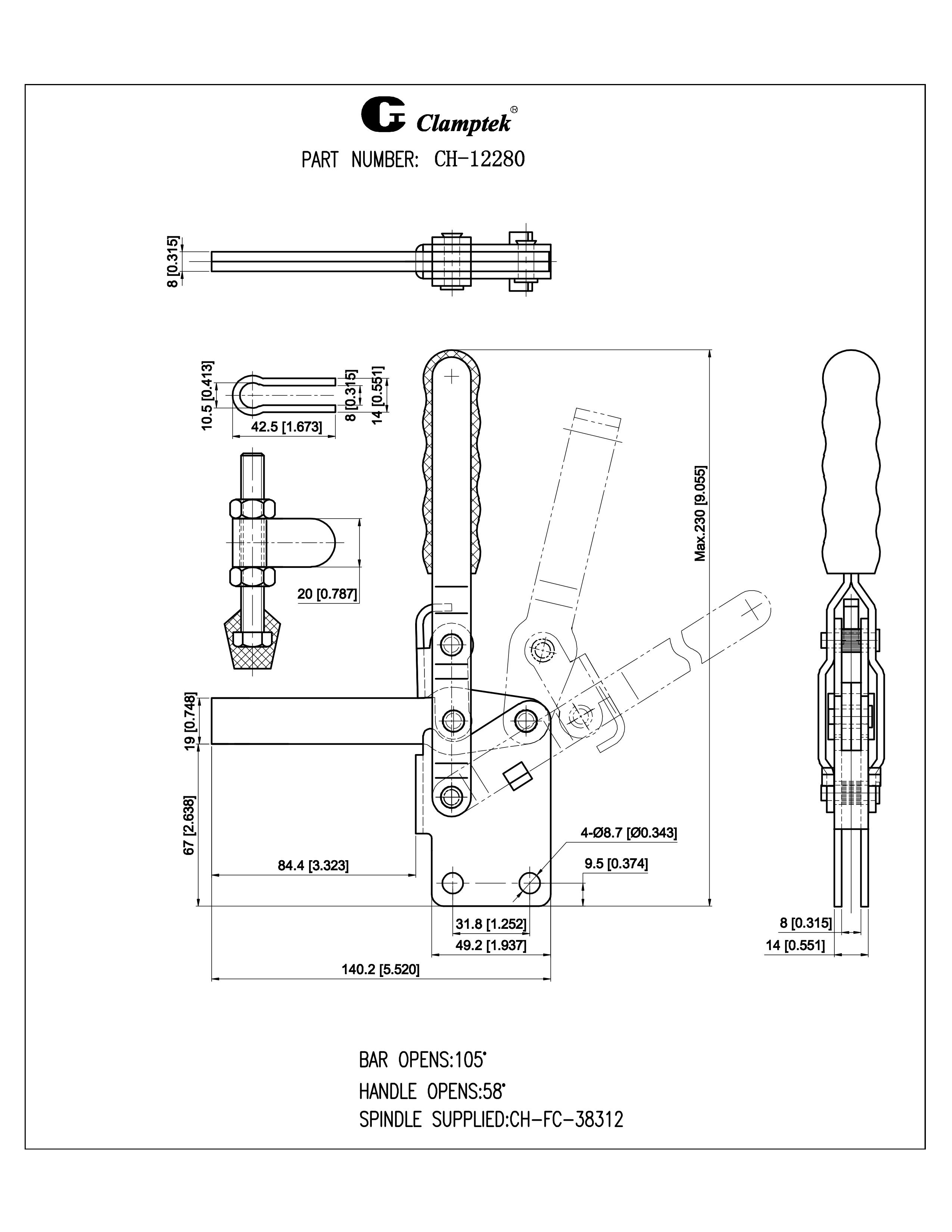
12280
12285
12295
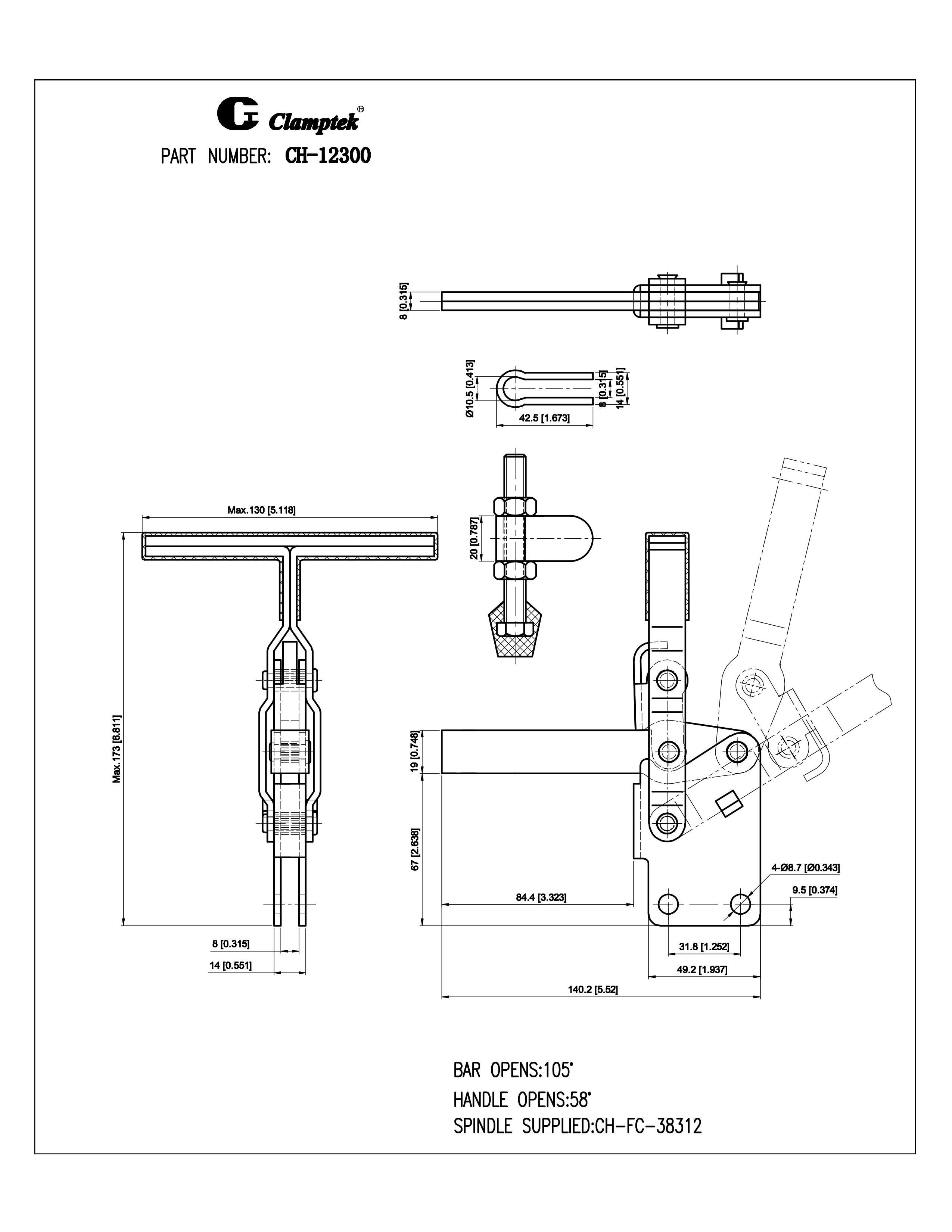
12300
CH-12265至CH-12300
产品资讯
夹持力:340Kg
压把开启角度:105°
手柄开启角度:58°
压头螺丝型号:CH-FC-38312
压把开启角度:105°
手柄开启角度:58°
压头螺丝型号:CH-FC-38312
12265
12265-SS
12270
12275
12280
12285
12295
12300
| 型号 | CH-12265 | CH-12265-SS | CH-12270 | CH-12275 | CH-12280 | CH-12285 | CH-12290 | CH-12295 | CH-12300 |
|---|---|---|---|---|---|---|---|---|---|
| 产品重量 | 635g | 635g | 635g | 680g | 680g | 710g | 710g | 735g | 735g |
| U型压把 | V | V | V | V | V | ||||
| 实心压把 | V | V | V | V | |||||
| 法兰底座 | V | V | V | V | V | ||||
| 直底座 | V | V | V | V | |||||
| 直手柄 | V | V | V | V | V | ||||
| T型手柄 | V | V | V | V | |||||
| 不锈钢 | V |